Санкт-Петербурге
Санкт-Петербург
Главная » Изготовление на заказ » 5-10 метров

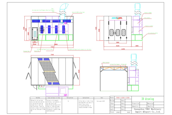
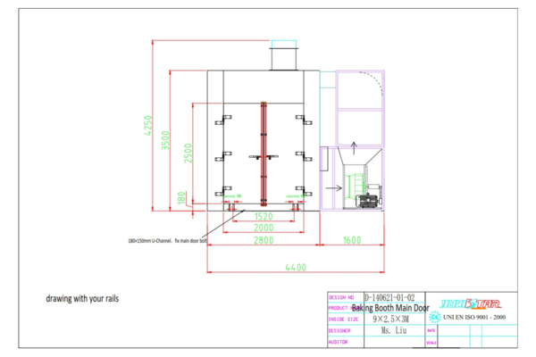
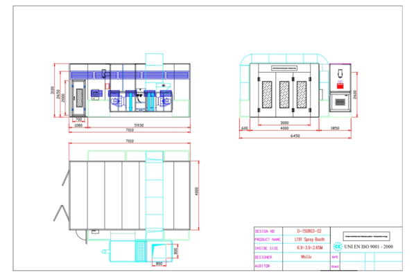
5-10 метров

Подробнее: «Строительные Технологии и Машины»
«Строительные Технологии и Машины»
Подробнее: ЗАО «ДС Контролз»
ЗАО «ДС Контролз»
Подробнее: ООО «ЕвроАвто-Сервис»
ООО «ЕвроАвто-Сервис»
Подробнее: ООО «ЕвроАвто-Сервис» — 2
ООО «ЕвроАвто-Сервис» — 2
Подробнее: ОАО «Авангард»
ОАО «Авангард»
Подробнее: ООО ИВС «ТЕПЛОЭНЕРГОИНВЕСТ» — Газпром
ООО ИВС «ТЕПЛОЭНЕРГОИНВЕСТ» — Газпром
Подробнее: Mercedes-Benz ООО «Авангард»
Mercedes-Benz ООО «Авангард»
Подробнее: ООО «Уралэнергосервис»
ООО «Уралэнергосервис»
Подробнее: Ульяновский авиационный колледж
Ульяновский авиационный колледж
Подробнее: Renault Trucks ООО «Трентор»
Renault Trucks ООО «Трентор»
Подробнее: НАМИ – проект Кортеж, г. Москва
НАМИ – проект Кортеж, г. Москва
Подробнее: Проект ОСК уличного исполнения
Проект ОСК уличного исполнения
Запросить предварительный расчет стоимости оборудования
Техническое задание:

Оборудование Yoki Star
более 100 реализованных проектов по всей России.
Покрасочные камеры для промышленности
более 95 реализованных проектов по всей России.
Покрасочные камеры для грузовых автомобилей
лучшее соотношение цена/качество, хит РФ рынка
Покрасочные камеры для легковых автомобилей
Безопасность и надежность, температура сушки до 300°C
Сушильные камеры / печи полимеризации
Правильная подготовка - качественная покраска
Посты подготовки к окраске
Все необходимое по лучшим ценам
Компоненты и комплектующие для окрасочно-сушильных камер
Последние реализованные проекты

г. Шадринск, Курганская обл.

Окрасочно-сушильная камера 22000х5550х5900. Назначение: Окраска и сушка тепловозов.

г. Великий Новгород

Окрасочно-сушильная камера 9000х4000х3000. Окраска и сушка трубопроводной арматуры.

г. Пермь

Сушильная печь 1500х800х1500. Сушка агрегатов.

г. Сафоново, Смоленская обл.

Окрасочно-сушильная камера 9000х4000х3000. Сушильная камера 9000х2500х3000. Окраска и сушка изделий из пластика.

г. Санкт-Петербург

Окрасочно-сушильная камера 9200x4500x3900, Пост подготовки. Окраска и сушка коммерческого автотранспорта

г. Хвалынск, Саратовская обл.

Окрасочная камера 7000x4500x3500. Окраска металлоконструкций.

г. Ставрополь

Окрасочно-сушильная камера 12000х6000х6000. Окраска и сушка грузовой техники.

г. Березники, Пермский край

Окрасочная камера 18000х6000х6000. Назначение: Окраска вагонов.

Все проекты

Смотреть все реализованные проекты
Наши клиенты
РЖД
Роскосомос
CATERPILLAR
Man
Метрополитен СПБ